🔋 GRATIS 4,0 Ah PROCRAFT sichern!

  • Lieferung in 1 - 2 Tagen
  • 100 Tage kostenfreie Rückgabe
  • Versand aus Deutschland
  • Wir liefern Werkzeug seit 2015
  • +1 Mio. Bestellungen
Benny Lucas

Tim und +781.246 folgen uns auf

Szczegóły produktu i zakres dostawy

Lieferumfang:

- 200x HECO MULTI MONTI plus MS Schraubanker 7,5 x 35 mm

Produktbeschreibung:

Der Schraubanker MULTI MONTI plus aus dem Hause HECO ist eine verbesserte Weiterentwicklung der Betonschraube MULTI MONTI. Das besondere Merkmal der Schraube ist, dass die Schraube ohne Dübel in ein vorgebohrtes Loch versenkt werden kann und sofort belastbar ist. Dank der verstärkten Verzahnung an der Schraubenspitze, wird ein Innengewinde in den Baustoff geschraubt. Das Resultat ist ein Formschluss über den eine Verankerung erfolgt. Das Hohe Maß der Anwendungssicherheit, welches durch dieses Verfahren gegeben ist, sichert Anwender und Schrauber ab. Die MULTI MONTI lässt sich randnah ohne Drehmomentschlüssel spielend einfach verarbeiten. Darüber hinaus ist die Schraube demontierbar und ggf. sogar wiederverwendbar. Heco ist ein führender Hersteller von Schrauben, eine hohe Qualität und eine lange Tradition zeichnen das Unternehmen aus. 

Technische Daten:

Hersteller: HECO
Herstellernummer: 49854
Herstellerbezeichnung: MULTI MONTI plus MS
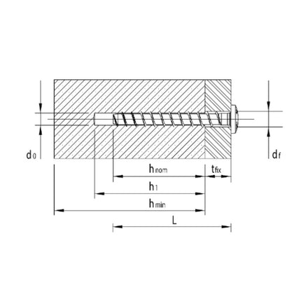
Anbauteildicke, tfix1: 1 mm
Antriebsgröße: T-30
Bohr-Durchmesser, d0: 6,0 mm
Bohrlochtiefe, h1: 40 mm
Durchgangsloch im Anbauteil, df: 9 mm
Einschraubtiefe, hnom1: 35 mm
Gewindelänge, lg: 32 mm
Kopfdurchmesser, dk: 17,0 mm
Empfohlene max. Leistungsabgabe des Schlagschraubers, Tmax1: 120 Nm
Mindestbauteildicke, hmin: 100 mm
Min. Randabstand, cmin: 30 mm
Durchmesser, d: 7,5 mm
Länge, l: 35 mm
Kopfausführung: Montageschienenanker mit flachem Rundkopf
Antrieb: T-Drive
Oberfläche: verzinkt blau, A2K
Werkstoff: Kohlenstoffstahl
Europäische technische Bewertung: ETA-15/0785
Feuerwiderstandsklasse: F120/R120
Sprinkler-Zulassung: Ja
Allgemeine bauaufsichtliche Zulassung: Z-21.1-2103


Bei gewerblicher Nutzung beachten Sie bitte die Bauvorschriften!

Kształt produktu

HECO MULTI MONTI plus MS Schraubanker 7,5 x 35 mm 200 Stück ( 2x 49827 ) Betonschraube flacher Rundkopf T-Drive verzinkt blau A2K

SKU: 26147 EAN: 4064677024055
    240,39 zł
    z VAT, plus koszty wysyłki
    Direkt ist günstiger für Dich

    Preisvergleichs-Portale und Suchmaschinen verlangen bei jedem Kauf hohe Gebühren – oft über 20 % des Verkaufspreises. Diese Kosten zahlen am Ende immer die Kunden. Wir gehen einen anderen Weg: Statt Werbebudgets an große Plattformen zu zahlen, investieren wir lieber in faire Preise, BROpoints, Geschenke und exklusive Bestpreis-Deals, die Du nur direkt bei uns findest. Ohne Zwischenhändler. Ohne Aufschläge. Direkt für dich.

      100 Tage kostenfreie Retoure 100 Tage kostenfreie Retoure
      • American Express
      • Apple Pay
      • Google Pay
      • BLIK
      • Klarna
      • Mastercard
      • +12 weitere
      • Producent
      • Stan  Nowe towary
      Smarte Produktberatung
      Rechnung, Versand & GPSR

      Versand & Rechnung durch: Dinotech e.K.

      Osoba odpowiedzialna za UE (GPSR) Podmiot gospodarczy z siedzibą w UE, który zapewnia zgodność produktu z wymaganymi przepisami.
      • HECO-Schrauben GmbH & Co. KG
      • Dr.-Kurt-Steim-Straße 28
      • 78713 Schramberg
      • Germany
      • +4974229890
      • info@heco-schrauben.de

      Szczegóły produktu i zakres dostawy

      Lieferumfang:

      - 200x HECO MULTI MONTI plus MS Schraubanker 7,5 x 35 mm

      Produktbeschreibung:

      Der Schraubanker MULTI MONTI plus aus dem Hause HECO ist eine verbesserte Weiterentwicklung der Betonschraube MULTI MONTI. Das besondere Merkmal der Schraube ist, dass die Schraube ohne Dübel in ein vorgebohrtes Loch versenkt werden kann und sofort belastbar ist. Dank der verstärkten Verzahnung an der Schraubenspitze, wird ein Innengewinde in den Baustoff geschraubt. Das Resultat ist ein Formschluss über den eine Verankerung erfolgt. Das Hohe Maß der Anwendungssicherheit, welches durch dieses Verfahren gegeben ist, sichert Anwender und Schrauber ab. Die MULTI MONTI lässt sich randnah ohne Drehmomentschlüssel spielend einfach verarbeiten. Darüber hinaus ist die Schraube demontierbar und ggf. sogar wiederverwendbar. Heco ist ein führender Hersteller von Schrauben, eine hohe Qualität und eine lange Tradition zeichnen das Unternehmen aus. 

      Technische Daten:

      Hersteller: HECO
      Herstellernummer: 49854
      Herstellerbezeichnung: MULTI MONTI plus MS
      Anbauteildicke, tfix1: 1 mm
      Antriebsgröße: T-30
      Bohr-Durchmesser, d0: 6,0 mm
      Bohrlochtiefe, h1: 40 mm
      Durchgangsloch im Anbauteil, df: 9 mm
      Einschraubtiefe, hnom1: 35 mm
      Gewindelänge, lg: 32 mm
      Kopfdurchmesser, dk: 17,0 mm
      Empfohlene max. Leistungsabgabe des Schlagschraubers, Tmax1: 120 Nm
      Mindestbauteildicke, hmin: 100 mm
      Min. Randabstand, cmin: 30 mm
      Durchmesser, d: 7,5 mm
      Länge, l: 35 mm
      Kopfausführung: Montageschienenanker mit flachem Rundkopf
      Antrieb: T-Drive
      Oberfläche: verzinkt blau, A2K
      Werkstoff: Kohlenstoffstahl
      Europäische technische Bewertung: ETA-15/0785
      Feuerwiderstandsklasse: F120/R120
      Sprinkler-Zulassung: Ja
      Allgemeine bauaufsichtliche Zulassung: Z-21.1-2103


      Bei gewerblicher Nutzung beachten Sie bitte die Bauvorschriften!

      Warum Kunden uns vertrauen

      Tausende Handwerker und Heimwerker kaufen regelmäßig bei uns ein. Ihre Erfahrungen und Bewertungen helfen dir, die richtige Entscheidung zu treffen.

      • Über 1 Mio. Bestellungen seit 2021 📦
      • Versand aus Deutschland 🇩🇪
      • 100 Tage kostenfreie Retoure 🔙

      Deine Historie

        Anmeldung

        Hast Du Dein Passwort vergessen?

        Du bist noch kein Club-Mitglied?
        Konto erstellen