• Lieferung in 1 - 2 Tagen
  • 100 Tage kostenfreie Rückgabe
  • Versand aus Deutschland
  • Wir liefern Werkzeug seit 2015
  • +1 Mio. Bestellungen
Benny Lucas

Tim und +781.246 folgen uns auf

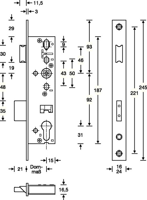
Szczegóły produktu i zakres dostawy

Zakres dostawy:
- 1x SSF zamek wpuszczany ramowy rurowy D DIN prawy na zewnątrz

Opis produktu:
Funkcja przejścia D dla jednoskrzydłowych drzwi ramowych - wersja APD (po otwarciu od wewnątrz drzwi pozostają dostępne w obu kierunkach do momentu ponownego zablokowania) - Obudowa zamka wykonana ze stali, zamknięta od góry i od dołu - Ciągły otwór montażowy nad popychaczem zamka - Tuleje chroniące przed wiórami - Pojedynczy rzut z solidnym ryglem - Rzut rygla 21 mm - DIN lewy i prawy do wewnątrz / na zewnątrz - Przygotowany do cylindra profilowego, z wymianą - długość płyty czołowej 245 mm - popychacz dzielony 9 mm - zapadka z tłumikiem - rygiel niklowany - płyta czołowa ze stali nierdzewnej na środku - długość płyty czołowej 245 mm - pochylona - cofnięcie 15 mm - dostępny klucz klasyfikacyjny zgodny z EN 12 209 - testowane i certyfikowane zgodnie z EN 1125 i EN 179 zgodnie z certyfikatem zgodności. certyfikat zgodności

Dane techniczne:
- Śruba: niklowana
- Rozstaw: 15 mm
- Norma: DIN 18251-2
- Obudowa zamka: zamknięta od góry i od dołu
- Śruba zamka: 1-obrotowa
- Skok rygla: 21 mm

W przypadku użytku komercyjnego należy przestrzegać przepisów budowlanych!

Kształt produktu

SSF Zamek wpuszczany rurowy ramowy D DIN prawy na zewnątrz ( 3324024293 )

SKU: 128677 EAN: 4012432603571
    574,68 zł
    z VAT, plus koszty wysyłki
    Direkt ist günstiger für Dich

    Preisvergleichs-Portale und Suchmaschinen verlangen bei jedem Kauf hohe Gebühren – oft über 20 % des Verkaufspreises. Diese Kosten zahlen am Ende immer die Kunden. Wir gehen einen anderen Weg: Statt Werbebudgets an große Plattformen zu zahlen, investieren wir lieber in faire Preise, BROpoints, Geschenke und exklusive Bestpreis-Deals, die Du nur direkt bei uns findest. Ohne Zwischenhändler. Ohne Aufschläge. Direkt für dich.

      100 Tage kostenfreie Retoure 100 Tage kostenfreie Retoure
      • American Express
      • Apple Pay
      • Google Pay
      • BLIK
      • Klarna
      • Mastercard
      • +12 weitere
      • Producent
      • Stan  Nowe towary
      Smarte Produktberatung
      Rechnung, Versand & GPSR

      Versand & Rechnung durch: Dinotech e.K.

      Osoba odpowiedzialna za UE (GPSR) Podmiot gospodarczy z siedzibą w UE, który zapewnia zgodność produktu z wymaganymi przepisami.
      • info@ssf.de
      • +493429673300
      • Germany
      • 4539 Groitzsch
      • Am Pappelhain 10
      • Sächsische Schlossfabrik GmbH

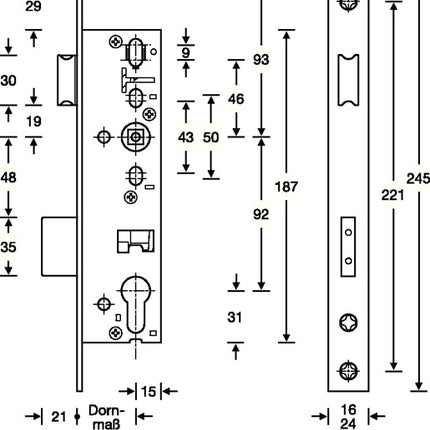
      Szczegóły produktu i zakres dostawy

      Zakres dostawy:
      - 1x SSF zamek wpuszczany ramowy rurowy D DIN prawy na zewnątrz

      Opis produktu:
      Funkcja przejścia D dla jednoskrzydłowych drzwi ramowych - wersja APD (po otwarciu od wewnątrz drzwi pozostają dostępne w obu kierunkach do momentu ponownego zablokowania) - Obudowa zamka wykonana ze stali, zamknięta od góry i od dołu - Ciągły otwór montażowy nad popychaczem zamka - Tuleje chroniące przed wiórami - Pojedynczy rzut z solidnym ryglem - Rzut rygla 21 mm - DIN lewy i prawy do wewnątrz / na zewnątrz - Przygotowany do cylindra profilowego, z wymianą - długość płyty czołowej 245 mm - popychacz dzielony 9 mm - zapadka z tłumikiem - rygiel niklowany - płyta czołowa ze stali nierdzewnej na środku - długość płyty czołowej 245 mm - pochylona - cofnięcie 15 mm - dostępny klucz klasyfikacyjny zgodny z EN 12 209 - testowane i certyfikowane zgodnie z EN 1125 i EN 179 zgodnie z certyfikatem zgodności. certyfikat zgodności

      Dane techniczne:
      - Śruba: niklowana
      - Rozstaw: 15 mm
      - Norma: DIN 18251-2
      - Obudowa zamka: zamknięta od góry i od dołu
      - Śruba zamka: 1-obrotowa
      - Skok rygla: 21 mm

      W przypadku użytku komercyjnego należy przestrzegać przepisów budowlanych!

      Warum Kunden uns vertrauen

      Tausende Handwerker und Heimwerker kaufen regelmäßig bei uns ein. Ihre Erfahrungen und Bewertungen helfen dir, die richtige Entscheidung zu treffen.

      • Über 1 Mio. Bestellungen seit 2015 📦
      • Versand aus Deutschland 🇩🇪
      • 100 Tage kostenfreie Retoure 🔙

      Deine Historie

        Anmeldung

        Hast Du Dein Passwort vergessen?

        Du bist noch kein Club-Mitglied?
        Konto erstellen