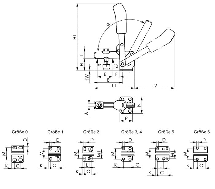
Zacisk pionowy AMF nr 6800 rozmiar 3 ( 4000833503 )
Direkt ist günstiger für Dich – erfahre warum
Preisvergleichs-Portale und Suchmaschinen verlangen bei jedem Kauf hohe Gebühren – oft über 20 % des Verkaufspreises. Diese Kosten zahlen am Ende immer die Kunden. Wir gehen einen anderen Weg: Statt Werbebudgets an große Plattformen zu zahlen, investieren wir lieber in faire Preise, BROpoints, Geschenke und exklusive Bestpreis-Deals, die Du nur direkt bei uns findest. Ohne Zwischenhändler. Ohne Aufschläge. Direkt für dich.
- +12 weitere
- Mehr von
- Zustand Neuware
Ergänzende Artikel
Rechnung, Versand & GPSR
Versand & Rechnung durch: Dinotech e.K.
- amf@amf.de
- +4971157660
- Germany
- 70734 Fellbach
- Waiblinger Str. 116
- Andreas Maier GmbH & Co. KG Schloss- u. Werkzeugfabrik
