• Lieferung in 1 - 2 Tagen
  • 100 Tage kostenfreie Rückgabe
  • Versand aus Deutschland
  • Wir liefern Werkzeug seit 2015
  • +1 Mio. Bestellungen
Benny Lucas

Tim und +781.246 folgen uns auf

Szczegóły produktu i zakres dostawy

Zakres dostawy:
- Zamek wpuszczany antypaniczny 1201 Funkcja antypaniczna D zaokrąglony

Opis produktu:
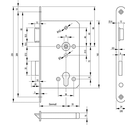
Funkcja wyjścia antypanicznego D - do jednoskrzydłowych drzwi drewnianych lub stalowych otwieranych na zewnątrz - zatwierdzone w połączeniu ze sprawdzonymi okuciami zgodnie z EN 179 (wyjścia awaryjne) i EN 1125 (drzwi antypaniczne) - przydatność przeciwpożarowa zgodnie z DIN 18250 + DIN 4102 + DIN EN 1634 - dwuczęściowy popychacz - przystosowany do wkładki bębenkowej - zapadka i rygiel wykonane ze stali - rozstaw 72 mm - kwadrat 9 mm - długość płyty czołowej 235 mm - obudowa zamka zamknięta ze wszystkich stron

Dane techniczne:
- Śruba: Stal
- Norma: DIN 18250
- Obudowa zamka: zamknięta ze wszystkich stron
- Skok rygla: 20 mm
- Zatrzask: stal

W przypadku użytku komercyjnego należy przestrzegać przepisów budowlanych!

Kształt produktu

Zamek wpuszczany antypaniczny BKS 1201 Funkcja antypaniczna D zaokrąglony ( 3000251590 )

SKU: 74489 EAN: 4015540964480
    281,36 zł
    z VAT, plus koszty wysyłki
    Direkt ist günstiger für Dich

    Preisvergleichs-Portale und Suchmaschinen verlangen bei jedem Kauf hohe Gebühren – oft über 20 % des Verkaufspreises. Diese Kosten zahlen am Ende immer die Kunden. Wir gehen einen anderen Weg: Statt Werbebudgets an große Plattformen zu zahlen, investieren wir lieber in faire Preise, BROpoints, Geschenke und exklusive Bestpreis-Deals, die Du nur direkt bei uns findest. Ohne Zwischenhändler. Ohne Aufschläge. Direkt für dich.

    W magazynie Dostawa przewidziana w ciągu  pt., 19.12.2025

      100 Tage kostenfreie Retoure 100 Tage kostenfreie Retoure
      • American Express
      • Apple Pay
      • Google Pay
      • BLIK
      • Klarna
      • Mastercard
      • +12 weitere
      • Producent
      • Stan  Nowe towary
      Smarte Produktberatung
      Rechnung, Versand & GPSR

      Versand & Rechnung durch: Dinotech e.K.

      Osoba odpowiedzialna za UE (GPSR) Podmiot gospodarczy z siedzibą w UE, który zapewnia zgodność produktu z wymaganymi przepisami.
      • infoservice@bks.de
      • +4920512010
      • Germany
      • 42549 Velbert
      • Heidestr. 71
      • BKS GmbH

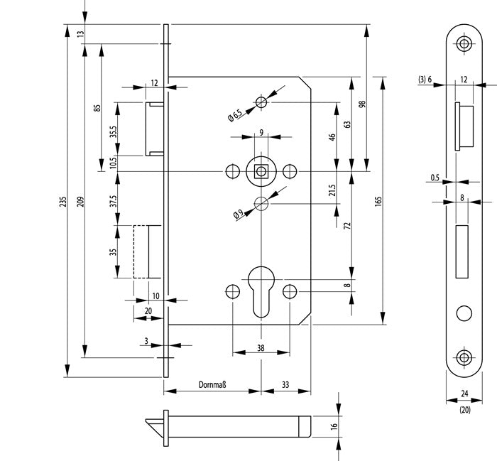
      Szczegóły produktu i zakres dostawy

      Zakres dostawy:
      - Zamek wpuszczany antypaniczny 1201 Funkcja antypaniczna D zaokrąglony

      Opis produktu:
      Funkcja wyjścia antypanicznego D - do jednoskrzydłowych drzwi drewnianych lub stalowych otwieranych na zewnątrz - zatwierdzone w połączeniu ze sprawdzonymi okuciami zgodnie z EN 179 (wyjścia awaryjne) i EN 1125 (drzwi antypaniczne) - przydatność przeciwpożarowa zgodnie z DIN 18250 + DIN 4102 + DIN EN 1634 - dwuczęściowy popychacz - przystosowany do wkładki bębenkowej - zapadka i rygiel wykonane ze stali - rozstaw 72 mm - kwadrat 9 mm - długość płyty czołowej 235 mm - obudowa zamka zamknięta ze wszystkich stron

      Dane techniczne:
      - Śruba: Stal
      - Norma: DIN 18250
      - Obudowa zamka: zamknięta ze wszystkich stron
      - Skok rygla: 20 mm
      - Zatrzask: stal

      W przypadku użytku komercyjnego należy przestrzegać przepisów budowlanych!

      Warum Kunden uns vertrauen

      Tausende Handwerker und Heimwerker kaufen regelmäßig bei uns ein. Ihre Erfahrungen und Bewertungen helfen dir, die richtige Entscheidung zu treffen.

      • Über 1 Mio. Bestellungen seit 2015 📦
      • Versand aus Deutschland 🇩🇪
      • 100 Tage kostenfreie Retoure 🔙

      Deine Historie

        Anmeldung

        Hast Du Dein Passwort vergessen?

        Du bist noch kein Club-Mitglied?
        Konto erstellen